Описание
HL62.1/1
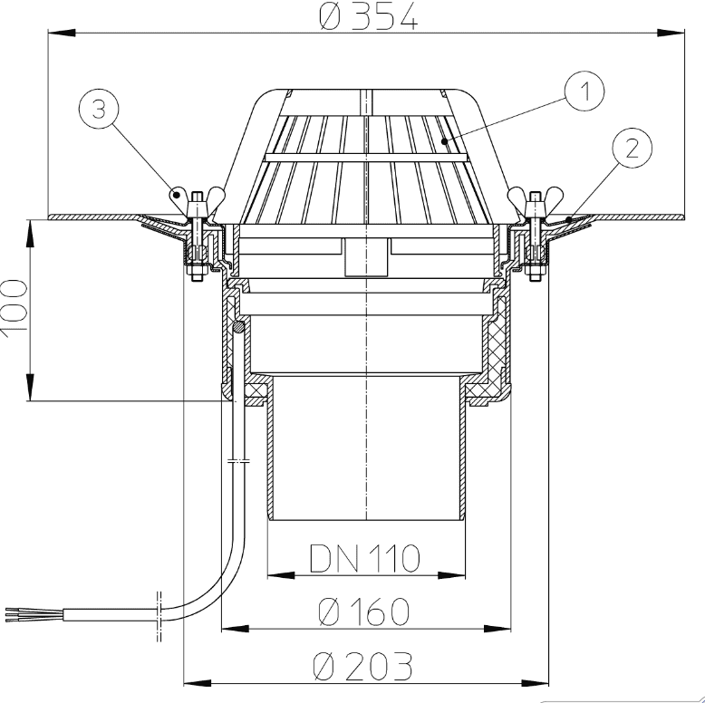
Кровельная воронка с вертикальным выпуском с листвоуловителем из ПП, с зажимным элементом из нержавеющей стали, с электрообогревом от сети 220В мощностью 10- 30Вт.
Кровельная воронка с вертикальным выпуском с листвоуловителем из ПП, с зажимным элементом из нержавеющей стали, с электрообогревом от сети 220В мощностью 10- 30Вт.